推薦產品
聯系我們
深圳市驪微電子科技有限公司
電話:0755-23087599
手機:13808858392
郵箱:dunianhua@leweitech.com
地址:深圳市寶安區西鄉鶴洲恒豐工業城B11棟5樓東
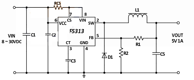
F5313產品特點:
1. 電路簡單,產品體積小
2. 芯片價格超低,產品總成本超低
3. 輸出電流超過1A,輸入電壓8-36V
4. 芯片采購ESOP-8封裝,過溫保護等功能
6. 無需加共模電感等通過CEFCCEMI等認證
7. 可以做單面板,布板簡單
典型應用圖

典型應用圖

阿里巴巴店鋪
關注驪微
收藏驪微










