過認證、低成本 | 65W-PD-2C1A氮化鎵設計方案!
字號:T|T
65W-PD-2C1A 氮化鎵方案由主控芯片PN8783、同步整流芯片PN8307P、DC-DC降壓芯片 NDP1460PQB和PD協議芯片XPD737+XPD767套片組合,實現三口輸出,并支持功率自動分配,整套方案具有成本低,性能穩定,產品體積小,可滿足客戶認證要求。
一、2C1A氮化鎵方案特性
1:USB-C1口單獨使用 65W
輸出規格: 5V3A 9V3A 12V3A 15V3A 20V3.25A:
2:USB-C2口單獨使用 65W
輸出規格: 5V3A 9V3A 12V3A 15V3A 20V3.25A
3:USB- A口單獨使用 18W
輸出規格: 5V3A 9V2A 12V1.5A
4:USB-C1+ USB-C2同時使用(45W+20W)
C1輸出規格: 5V3A 9V3A 12V3A 15V3A 20V2.25A 45WMAX
C2輸出規格: 5V3A 9V2.22A 12V1.67A 20WMAX
5:USB-C1+ USB-A同時使用(45W+18W)
C1輸出規格: 5V3A 9V3A 12V3A 15V3A 20V2.25A 45WMAX
USB-A輸出規格: 5V3A 9V2A 12V1.5A 18WMAX
6:USB-C2+ USB-A同時使用
共享:5V3A MAX
7:USBC1+USB-C2+ USB-A同時使用
C1輸出規格: 5V3A 9V3A 12V3A 15V3A 20V2.25A MAX
C2+ USB-A共享:5V3A MAX
二、芯片概述
主控芯片PN8783:PN8783系列采用SOP10/PP封裝,內置高性能700V GaN FET,具有卓越的環路穩定性、高功率密度、低待機功耗等明顯優勢,同時在封裝底部大面積敷銅散熱,可以顯著降低芯片溫升。

同步整流芯片PN8307P:PN8307P內置100V/7mΩ智能MOSFET,快速關斷+自適應死區控制提高MOSFET Rdson利用率,顯著降低溫升,專利輕載模式可降低待機功耗,具有超高性價比。

DC-DC降壓芯片 NDP1460:NDP1460PQB是一款集成MOS管的高效同步降壓DC/DC轉換器。其內部采用抖頻、平均電流模式控制結構。能夠連續提供高達7A的輸出電流,具有出色的線性和負載調節能力。NDP1460PQB的輸入電壓范圍從7.5V至30V,輸出電壓可調,范圍從3.3V至29V。

PD協議芯片XPD737:XPD737內部集成 10mΩ VBUS 通路管,并且集成10mΩ電流檢測電阻,支持完善的保護功能,降低外圍元件數量,簡化電路,降低成本。采用ESOP8封裝。

PD協議芯片XPD767:XPD767集成了協議控制和VBUS開關以及復雜的控制邏輯,一顆芯片完成1A1C控制,通過XPD-LINK互聯技術,兩顆芯片即可組成2A1C的快充解決方案,并且無需添加復雜的外圍電路。

三、DEMO實物圖

美規折疊頭,實物尺寸:56.64*53.13*28.91
四、輸出特性

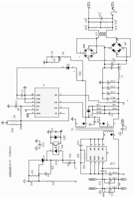
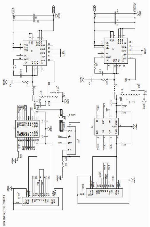
五、電路原理圖
電路原理圖(AC-DC 部分)

電路原理圖(DC-DC 部分)

六、部分BOM清單

65W-PD-2C1A氮化鎵方案,115Vac/60Hz-230Vac/50Hz待機功耗<75mW,平均效率>93.4%,因集成度高、性能卓越、方案成本優勢明顯,獲得了眾多廠家爭相采用,更多方案規格、線路圖紙、變壓器設計、測試數據及應用要點請向驪微電子申請。》
上一篇:CR6212_5V/12V高效率、低成本電源方案,完美替換OB257X 下一篇:沒有了
同類文章排行
- 7個大幅精簡外圍的ac-dc電源管理芯片方案
- 德普微DP2525B原邊反饋電源芯片恒壓恒流5W
- CR5218SC_5V1A適配器方案
- 5v開關電源芯片PN8370M+PN8306M 5V2A六級能
- CR1252+CR3012_12V20A開關電源方案
- 基于PN8390+PN8308M高性能12V2A適配器電源
- PN8000無電感負壓輸出AC-DC非隔離超精簡方
- PN8370_2.4A手機充電器電源芯片方案
- 12V3.0A同步整流六級能效電源適配器應用方
- CR6249_12V1.5A電源適配器方案
阿里巴巴店鋪
關注驪微
收藏驪微

