推薦產品
聯系我們
深圳市驪微電子科技有限公司
電話:0755-23087599
手機:13808858392
郵箱:dunianhua@leweitech.com
地址:深圳市寶安區西鄉鶴洲恒豐工業城B11棟5樓東
AP2952A 2A 18V 同步整流降壓轉換器
所屬分類:Chipown/芯朋微
品牌:芯朋微
型號:AP2952AS8PRG
封裝:SOP8-PP
功率:4.75V-18V
電流:2A
型號:AP2952AS8PRG
封裝:SOP8-PP
功率:4.75V-18V
電流:2A
訂購熱線:0755-23087599
AP2952A是一款單片同步整流降壓穩壓器,它集成了導通阻抗130mΩ的MOSFET,可以在很寬的輸入電壓范圍(4.75V-18V)內提供2A的負載能力。電流模式控制使其具有很好的瞬態響應和單周期內的限流功能。可調的軟啟動時間能避免開啟瞬間的沖擊電流,在停機模式下,輸入電流小于1uA。
AP2952A 2A, 18V 同步整流降壓轉換器封裝為SOP8-PP,同時提供了緊湊的系統方案,可以最大限度的減少外圍元件。
AP2952芯片特性
■ 2A輸出電流
■ 輸入電壓范圍4.75V到18V
■ 內部集成130mΩ的功率MOSFET
■ 輸出可調范圍為0.925V到15V
■ 效率可達95%
■ 可調軟啟動時間
■ 外圍使用低ESR瓷片電容可保證其穩定工作
■ 固定的450kHz工作頻率
■ 每個周期內都有限流功能
■ 具有欠壓保護功能
■ 散熱能力較強的SOP8-PP封裝
封裝引腳描述

| 引腳序號 | 引腳名稱 | 引腳描述 |
| 1 | BS | 上管柵極驅動升壓輸入。BS為上管N溝道MOSFET開關提供驅動。從SW到BS端連接一個0.01uF或更大的電容。 |
|
2 |
IN |
電源輸入。為IC以及降壓轉換器開關提供輸入電源。在4.75V至18V的電壓范圍驅動IN。通過一個適當的大電容旁路IN到地,以消除輸入IC的噪聲。 |
| 3 | SW | 功率開關輸出。SW為開關節點提供電源輸出。從SW端到輸出負載連接輸出LC濾波器。請注意,從SW到BS需要接一個電容。 |
| 4 | GND | 電源地(連接裸露焊盤到4引腳)。 |
| 5 | FB | 反饋輸入端。FB感應輸出電壓來調節這個電壓。通過來自輸出電壓的一個電阻分壓器驅動FB。反饋閾值電壓是0.925V。 |
|
6 |
COMP |
補償節點。COMP用來補償調節控制回路。從COMP腳到GND連接一個RC網絡來補償調節控制回路。在某些情況下,從COMP到GND之間必須接一個額外的電容。 |
|
7 |
EN |
使能輸入端。EN為數字輸入,打開或關閉調節器。驅動EN端變高打開調節器,驅動它變低關閉調節器,自動啟動時需加100 kΩ上拉電阻。 |
|
8 |
SS |
軟啟動控制輸入。SS控制軟啟動時間。從SS到GND連接一個電容,用來設置軟啟動時間。一個0.1μF電容設置軟啟動時間為15mS。要禁用軟啟動功能,就不連接SS。 |
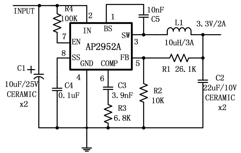
典型應用電路圖

應用領域
■ 分立式電源系統
■ 網絡系統
■ FPGA, DSP, ASIC電源
■ 綠色電子產品
■ 筆記本電腦
AP2952A是一款同步整流,電流模式,降壓穩壓器。它調節從 4.75V到 18V的輸入電壓下的輸出電壓可以低至0.925V,供應最大負載電流為 2A,更多AP2952芯片2A, 18V 同步整流降壓轉換器,產品手冊、電氣特性等資料請向我們申請。>>
阿里巴巴店鋪
關注驪微
收藏驪微









