馬達驅動芯片怎么控制電機?
字號:T|T
電機作為一種機械裝置,是機械系統中重要的驅動元件,它可以將電能轉換成機械能,實現物體的運動。為了更好地控制電機,需要采用一種有效的驅動芯片,而馬達驅動芯片就是其中之一,那么馬達驅動芯片怎么控制電機?

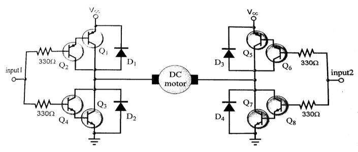
馬達驅動芯片是用來驅動 MOSFET、IGBT、SiC、GaN 等功率器件的芯片,能夠放大控制芯片(MCU) 的邏輯信號,包括放大電壓幅度、增強電流輸出能力,以實現快速開啟和關斷功率器件。
馬達驅動芯片它主要用來控制電機的轉速、方向和電流,能夠讓電機更精準地運行。馬達驅動芯片的核心部件是晶體管,它可以實現控制電機的指令,從而控制電機的轉速、方向和電流。
另外,馬達驅動芯片還能實現模擬信號和數字信號的轉換,方便控制電機的操作。其中,模擬信號的轉換可以更好地控制電機的轉速,而數字信號的轉換可以更精準地控制電機的方向和電流,可廣泛應用于家用電器、智能制造、機器人、3D 打印、安防、新能源及電動車等領域。
總之,馬達驅動芯片可以實現精準控制電機,提高電機的使用效率。因此,在控制電機時,采用馬達驅動芯片是一個很好的選擇,近年來,隨著智能電子產品和自動化設備的廣泛應用,馬達驅動芯片呈現出健康快速的發展趨勢。
上一篇:IGBT是什么,igbt工作原理和作用? 下一篇:電機驅動器芯片的作用是什么?
同類文章排行
- pn8024可以用pn8034代換嗎?
- 電磁爐AP8012電源芯片是否可以viper12a代換
- pd18w快充和20w快充區別?
- 電源管理芯片壞的原因有那些?
- 電源芯片發燙的原因及處理措施!
- 充電器控制芯片是用PSR還是SSR?
- 手機電源ic芯片壞了怎么辦?
- 充電時電源ic會發燙是怎么回事?
- 一片晶圓可以生產多少芯片?
- 電源隔離芯片與非隔離電源芯片優缺點分析!
阿里巴巴店鋪
關注驪微
收藏驪微

