推薦產品
聯系我們
深圳市驪微電子科技有限公司
電話:0755-23087599
手機:13808858392
郵箱:dunianhua@leweitech.com
地址:深圳市寶安區西鄉鶴洲恒豐工業城B11棟5樓東
HD1010 15W無線充發射控制芯片
所屬分類:無線充芯片
品牌:惠爾無線
型號:HD1010
封裝:QFN19
功率:15W
電流:4.0V to 14.0V
型號:HD1010
封裝:QFN19
功率:15W
電流:4.0V to 14.0V
訂購熱線:0755-23087599
HD1010概述:
HD1010是一個高度集成的無線電源發射機模擬前端,包含了實現WPC兼容發射機所需的所有模擬組件。
HD1010無線充發射控制芯片集成了一個全橋功率驅動與mosfts,電流感知放大器,自舉電路,通信解調器,線性調節器和保護電路。
HD1010可以與發射機控制器一起工作,創建一個高性能的無線功率發射機,符合WPC V1.2.4擴展功率概要(EPP)和基線功率概要(BPP),一旦EPP接收器被檢測到,發射機將提供高達15W的輸出功率;如果存在BPP接收器,發射機將只提供最多5W的輸出功率。
HD1010無線充發射控制芯片該系統支持外部目標檢測(FOD),通過持續監測傳輸的電量,并與接收端報告的接收電量進行比較。為了做到這一點,HD1010測量輸入直流電流非常準確地使用電流傳感器放大器。
此外,HD1010還支持輸入欠壓鎖定(UVLO)、過流保護(OCP)、短路保護(SCP)和過熱保護(OTP)。這些保護措施進一步提高了整個無線電力發射機系統的可靠性。
HD1010 15W無線充發射控制芯片是一個緊湊的3 x 3毫米QFN包。
HD1010特性:
■ 4.0V to 14.0V 輸入 電壓 范圍
■ Support 5 V/9V/12V 輸入
■ Support 15 W 輸出 功率
■ Integrated 電壓 和 電流 解調
■ Integrated 5 V LDO MCU 供電
■ Integrated 四 15 莫姆 FETs 力量
■ Integrated FET 司機 和 啟動 電路
■ Integrated 當前 對 FOD 準確
■ Support 各種 類型 的 發射機 WPC V1.2.4
■ BPP A11/A11a
■ BPP A6 與 單個 線圈 或 雙重 線圈
■ EPP MPA2
■ EPP MPA5/MPA11 額外 DC-DC
■ UVLO/OCP/SCP/OTP
■ QFN 包 3 毫米 x 3 毫米
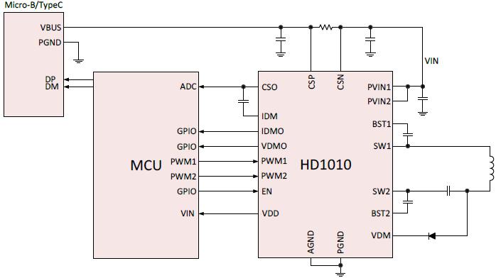
HD1010應用電路

如果需要HD1010 15W無線充發射控制芯片產品的詳細手冊或其他資料,請向我們申請。>>
阿里巴巴店鋪
關注驪微
收藏驪微










