推薦產品
聯系我們
深圳市驪微電子科技有限公司
電話:0755-23087599
手機:13808858392
郵箱:dunianhua@leweitech.com
地址:深圳市寶安區西鄉鶴洲恒豐工業城B11棟5樓東
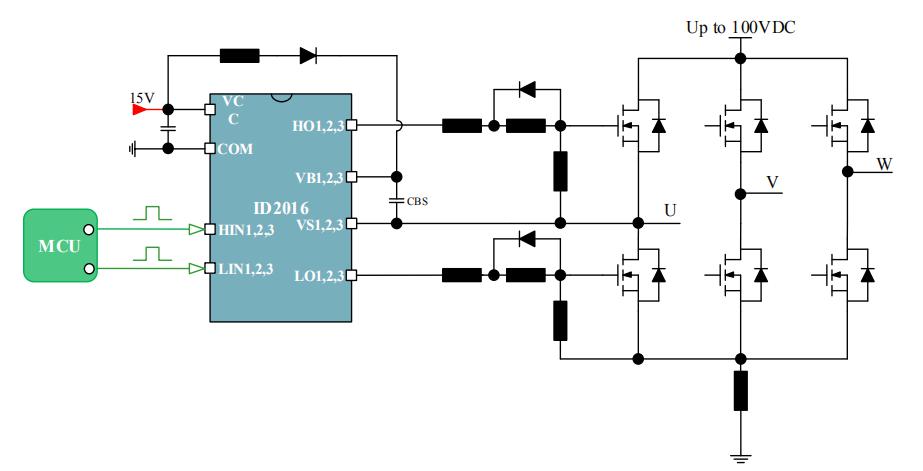
ID2016 200V 三相柵極驅動芯片
所屬分類:芯朋電機驅動芯片
品牌:芯朋微
型號:ID2016SDC-R1
封裝:TSSOP20
功率:200V
電流:1A/1A
型號:ID2016SDC-R1
封裝:TSSOP20
功率:200V
電流:1A/1A
訂購熱線:0755-23087599
ID2016三相柵極驅動芯片是為三相無刷直流電機驅動器應用而設計的門驅動器IC。它能夠驅動由六個N溝道功率MOSEFET組成的三個半橋。Driver的高壓制成工藝和共模噪聲消除技術能夠保證芯片在高dv/dt噪聲環境下能夠正常運行,芯片保護功能包括輸入端防有效邏輯電平互鎖功能以及VCC和VBS欠壓保護功能。
ID2016芯片特點
■ 高側浮動偏移電壓200V
■ 輸入邏輯兼容3.3V和5V
■ VCC工作電壓范圍5V-20V
■ 所有通道均具有欠壓保護功能
■ 所有通道內置輸入防直通邏輯保護電路,死區時間典型值為200ns
■ 輸出拉/灌電流能力1A/1A
■ VS負偏壓能力典型值-7V
封裝/訂購信息

id2016典型電路圖

應用領域
■ 無刷直流電動機
■ 電動工具
■ 電動自行車
■ 伺服控制
ID2016 200V三相柵極驅動芯片采用TSSOP20封裝,5-20V 寬范圍工作電壓范圍,輸入可兼容 3.3V, 5V 邏輯工作電平,1A/1A 拉灌電流能力,可兼容替換TI/德州儀器DRV8300NPWR/DRV8300DPWR,ON/安森美FAN7888MX,典型應用于電動車、低壓風機和泵電路,具有防直通保護和高低側全通道欠壓保護。
阿里巴巴店鋪
關注驪微
收藏驪微










