驪微電子5V轉12V升壓芯片-XL6019
字號:T|T
電源管理IC供應商驪微電子最近推出了用于5V轉12V DC升壓芯片XL6019,這種芯片可以把低輸入電壓升壓至一般芯片或電子電路所需要的電源電壓,例如5V,12V,40V等。并具有高達85%以上的轉換效率。它的輸出電流最高可以達到5A,它內置MOS,節省了總的系統成本。其啟動電壓低至1.25V。
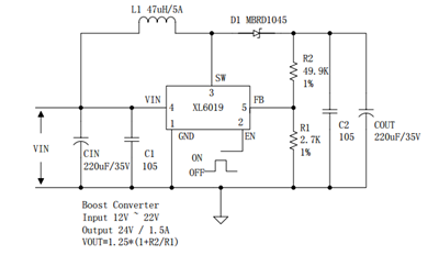
它可以應用于各種EPC/筆記本車載適配器,升壓、升降壓轉換和手持式設備供電等,它是專門為升壓、升降壓的單片集成電路,可工作在DC5V到40V輸入電壓范圍,低紋波,內置固定頻率振蕩器與頻率補償電路,簡化了電路設計,其應用電路圖如下。


內部電路功能圖

深圳驪微電子是您電源方案的首選平臺,主營品牌:士蘭微、 Dialog、芯龍、華晶、賽威、技領、泉芯等進口與國產品牌,我們將為您提供最高效、最低成本、最理想的優勢方案和最實惠的價格。驪微團隊將為您提供最合理的方案建議。
文章出自專業的電源管理芯片平臺—驪微電子(http://m.daopsh.cn)轉載請注明出
同類文章排行
- 一款適配器的AC-DC轉換芯片介紹-SD4873
- 芯龍12V/5A DC/DC低成本電源芯片方案-XL150
- SF6773 650V功率電源手機充電器芯片
- 士蘭微推出AC/DC 5V/1A充電器解決方案SD69
- PN8147內置MOS管AC-DC電源適配器IC方案芯朋
- NCE現貨n溝道mos管NCE6003Y磁場應管SOT23-3
- PN8368電源管理芯片手機充電器IC方案
- 低成本AC/DC開關LED驅動芯片-CS6553
- 4842mos管sop-8場效應管30V / 7.7A雙N溝道
- 60W以上適配器方案-sf5877
阿里巴巴店鋪
關注驪微
收藏驪微

