推薦產品
聯系我們
深圳市驪微電子科技有限公司
電話:0755-23087599
手機:13808858392
郵箱:dunianhua@leweitech.com
地址:深圳市寶安區西鄉鶴洲恒豐工業城B11棟5樓東
PN8611內置mos原邊反饋芯片集成超低待機功耗原邊控制器、FB下偏電阻和電容、VDD供電二極管、CS電阻及650V高雪崩能力智能功率MOSFET,用于高性能、外圍元器件超精簡的充電器、適配器和內置電源。
PN8611為原邊反饋工作模式,可省略光耦和TL431。內置高壓啟動電路,可實現芯片空載損耗(230VAC)小于50mW。在恒壓模式,采用多模式技術提高效率并消除音頻噪聲,使得系統滿足6級能效標準,內置輸出線補償功能使系統獲得較好的負載調整率。
PN8611內置mos原邊反饋芯片提供了極為全面的智能保護功能,包含逐周期過流保護、過壓保護、開環保護、過溫保護和輸出短路保護等。
PN8611內置mos原邊反饋芯片產品特征
■ 內置650V高雪崩能力智能功率MOSFET
■ 內置高壓啟動電路,小于50mW空載損耗(230VAC)
■ 采用多模式技術提高效率,滿足6級能效標準
■ 全電壓輸入范圍±5%的CC/CV精度
■ 原邊反饋可省光耦和TL431
■ 無需電流采樣電阻、FB反饋下電阻、VDD供電二極管
■ 無需額外補償電容
■ 無音頻噪聲
■ 智能保護功能
過溫保護 (OTP)
VDD欠壓&過壓保護 (UVLO&OVP)
逐周期過流保護 (OCP)
開環保護 (OLP)
封裝/訂購信息

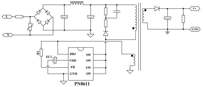
PN8611管腳定義
| 管腳名 | 管腳標號 | 管腳功能描述 |
| DIO | 1 | 輔助繞組給VDD電容充電引腳 |
| VDD | 2 | 工作電壓輸入引腳 |
| FB | 3 | 反饋引腳,輔助繞組電壓通過電阻反饋穩定輸出 |
| GND | 4 | 地電位 |
| SW | 5,6,7,8 | 智能功率MOSFET Drain端引腳,跟變壓器初級相連 |
PN8611內置mos原邊反饋芯片典型功率

PN8611典型應用電路
外圍參數選擇參考
為了獲得更佳的 PN8611 系統性能,請務必遵守以下規則:
1. VDD 電容 EC1 應放置在距離 VDD 引腳和 GND 引腳最近的地方。
2. 輔助繞組經 R1 到 FB 腳的走線盡量短,使 FB 采樣回路最小。
PN8611輸出特性

PN8611內置mos原邊反饋芯片應用領域
■ 開關電源適配器
■ 電池充電器
■ 機頂盒電源
更多PN8611內置mos原邊反饋芯片,電源輸入輸出規格,BOM 表和變壓器參數以及安規和 EMI 測試數據等資料,請向驪微電子申請。>>
阿里巴巴店鋪
關注驪微
收藏驪微









