TM1650/AIP1650替換芯片GN1650共陰極八段數碼管驅動
字號:T|T
GN1650采用DIP16封裝是2線串口共陰極八段數碼管驅動芯片,內置時鐘振蕩電路及上電復位電路,提供8段×4位顯示模式,8級亮度控制,支持3V-5.V電源電壓、鍵盤掃描7×4bit及4個組合按鍵,可以直接代換兼容天微TM1650及中微AIP1650。
GN1650共陰極八段數碼管驅動芯片引腳排列圖

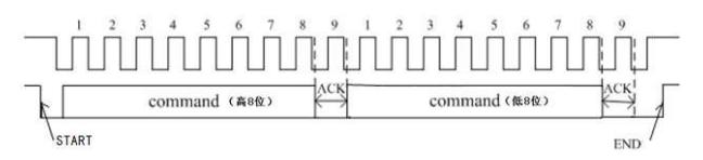
電路通信端口采用了類似于1C的通信方式,微處理器的數據通過兩線總線接口和電路通信在輸入數據時,電路在CLK的上升沿鎖存數據,故當CLK是高電平時,DO上的信號必須保持不變只有CLK上的時鐘信號為低電平時,DO上的信號才能改變,且DO不能在CLK的下降沿改變。數據輸入的開始條件是當CLK為高電平時,DO由高變低:結束條件是當CLK為高時,DIO由低電平變為高電平。
電路的數據傳輸帶有應答信號ACK,在傳輸數據的過程中,在時鐘線的第九個時鐘芯片內部會產生一個應答信號ACK將DO管腳拉低。無論是命令寫入或者是數據寫入讀出時,在一個8位字節后的第9位都是ACK信號輸出。

指令傳輸為16位格式,指令數據傳輸過程如上圖所示。數據和命令在傳輸時,先傳送高位,再傳送低位,CLK上升沿鎖存數據,DO不能在CLK為高電平時變化,也不要在CLK下降沿變化,而是在CLK為低電平時改變。
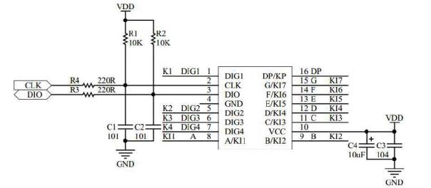
tm1650替換芯片GN1650典型應用線路圖

tm1650/AIP1650替換芯片GN1650共陰極八段數碼管驅動芯片內部集成有MCU輸入輸出控制數字接口、數據鎖存器、LED驅動、鍵盤掃描、輝度調節等電路,性能穩定、質量可靠、抗干擾能力強,可適應于24小時長期連續工作的應用場合,更多GN1650替換天微TM1650及中微AIP1650芯片電特性、功能介紹及詳細手冊請向驪微電子申請。>>
同類文章排行
- ap8022代換viper22a可兼容,不改PCB及外圍
- 電源芯片sdh8302s可PIN腳代換VIPER12A/AP80
- 什么是MOS管的雪崩及mos管雪崩擊穿原理!
- 常用dc-dc降壓芯片推薦
- 國產電源管理芯片有哪些?
- IR4427替換芯片ID1127雙低側、大電流驅動,
- sdh8303代換viper22a/AP8012H,PIN腳兼容無
- PN555L內置690V小功率非隔離芯片可替PN8008
- 常用低壓mos管型號及選型!
- 開關電源原邊反饋(PSR)技術深度解析!
阿里巴巴店鋪
關注驪微
收藏驪微

