芯朋微PN836X系列電源充電器、適配器IC
字號:T|T
深圳驪微電子是芯朋微深圳IC代理,主要產品有充電器、適配器、小家電、LED等電源IC,下面我們主要來了解一下充電器、適配器IC系列的。
高集成QR-PSR AC-DC芯片——PN836X系列(8366/8368/8369/8370)
產品特點:
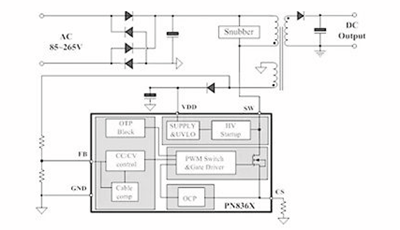
1. PN836X系列由準諧振多模式PSR控制器及高壓智能功率MOSFET組成,專用于高可靠、六級能效、極簡外圍的充電器、適配器及內置電源,輸出功率為5~12W,SOP7/DIP8封裝;
2. 內置輸入電壓補償,無需額外環路補償電容,可編程輸出線電壓補償;全電壓范圍±3%的CC/CV精度;
3. 齊備的智能保護功能,包括OTP、OLP、OCP、OVP、UVLO、所有外圍元件加工的開短路保護、輸出開短路保護等;
六項設計專利特色:
1. 集成650~800V高雪崩的智能功率MOSFET(專利),電壓、溫升De-rating裕量充足;
2. 集成兩級高壓啟動MOS模塊(專利),配合極低工作電流,滿足待機功耗小于30mW;
3. 集成高壓比例電流采樣MOS電路(專利),防止CS/FB外接元件短路炸機;
4. 采用自適應谷底開通(專利)和多模式PFM+PWM+QR技術提高平均效率;
5. 采用逐級限頻電路(專利),大幅改善PSR環路動態特性,EFT滿足5KV;
6. 采用多段柵驅動電路(專利),顯著改善開關過沖特性,EMI裕量更充裕;
典型應用圖


Chipown自2015年初推出該系列產品以來,已得到大批充電器、適配器電源行業客戶的承認和批量,尤其在12V1A、5V2A、去RCD的5V1A等規格應用中,因其BOM集成度高、容易過安規、簡潔可靠而深受歡迎。如需詳細了解可以咨詢深圳驪微電子!
上一篇:AC-DC綠色節能電源芯片-AP8366 下一篇:深圳IC供應商-驪微電子
同類文章排行
- 芯龍12V/5A DC/DC低成本電源芯片方案-XL150
- TK10A60D場效應晶體管MOS管開關穩壓器的應
- 一款適配器的AC-DC轉換芯片介紹-SD4873
- PN8147內置MOS管AC-DC電源適配器IC方案-芯
- UC3842的占空比調節-驪微電子
- UC3842當中2腳的使用-驪微電子
- SF6773 650V功率電源手機充電器芯片
- 驪微電子5V轉12V升壓芯片-XL6019
- NCE現貨n溝道mos管NCE6003Y磁場應管SOT23-3
- fp6601q電路圖_fp6601q規格書_fp6601q
阿里巴巴店鋪
關注驪微
收藏驪微

