5V到20V升壓芯片選擇推薦
字號:T|T
升壓芯片種類繁多,即便經過一段時間的學習,但在針對功率的要求進行升壓芯片的選擇時仍有部分初學者較為吃力。雖然都能達到升壓的效果,但哪種升壓芯片才是能夠最大程度上完美實現升壓效率的呢?在本文中,小編就將為大家介紹在升壓芯片選擇中經常被問到的關于5V到12V到20V的升壓芯片選擇。
5V到12V升壓芯片選擇
5V到12V的升壓芯片,紋波盡可能低,而要低噪聲的升壓電路就得避免使用電感升壓的DC/DC變換器,可以采用xl6007,效率高,EMI小。在添加穿心電容和π形濾波器之后,噪聲非常小。
3v到12V的升壓芯片選擇
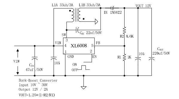
如果要求輸出電流在3A以內,那么可以用xl6008,這款寬輸入范圍,電流模式,能夠產生或正或負的輸出電壓的DC / DC轉換器,它的輸入電壓范圍是5V~32V,輸出電壓調節范圍是60V。12V輸出的實用電路如圖1.


本文針對新手們較為關心的升壓芯片選擇問題,對于從3V開始到12V為止的芯片進行了較為全面的分析,并給出了一些基于實際經驗的芯片型號備選。對于升壓芯片選擇還存在問題的朋友可以咨詢驪微電子(m.daopsh.cn)電 話:0755-23087599
同類文章排行
- 芯龍12V/5A DC/DC低成本電源芯片方案-XL150
- TK10A60D場效應晶體管MOS管開關穩壓器的應
- 一款適配器的AC-DC轉換芯片介紹-SD4873
- PN8147內置MOS管AC-DC電源適配器IC方案-芯
- UC3842的占空比調節-驪微電子
- UC3842當中2腳的使用-驪微電子
- SF6773 650V功率電源手機充電器芯片
- 驪微電子5V轉12V升壓芯片-XL6019
- NCE現貨n溝道mos管NCE6003Y磁場應管SOT23-3
- fp6601q電路圖_fp6601q規格書_fp6601q
阿里巴巴店鋪
關注驪微
收藏驪微

